1. Bevezetés: A „mindenkire való” korszak halála Évtizedeken át a katalógus volt a mérnöki iroda királya. Amikor egy tervezőnek meg kellett oldania egy mozgási problémát, fellapozott egy oldalra, kiv...
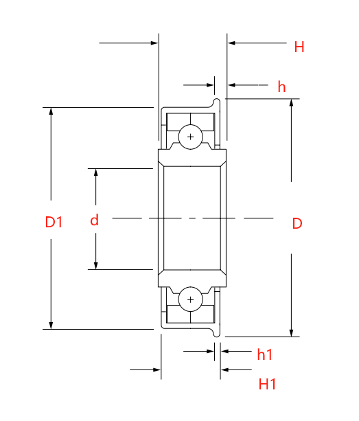
A köszörületlen golyóscsapágyak a környezet használatának és felhasználásának megfelelően határozhatók meg, van olyan forma, amelyhez karimás csatlakozás szükséges, azaz karima Köszörületlen csapágyak, jellemző a karima és a csapágy egybe. Ha a tengely egyik végén nincs csatlakozás, és egy síkra, például lemezre vagy falra kell rögzíteni, a karimás csapágy tükrözi annak előnyeit.















Katalógus letöltése